12mm高性能电机(138)
产品型号:ZWSMD012012-138-01
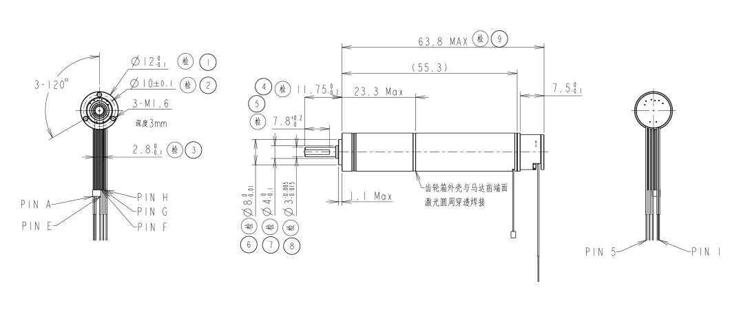
外直径(mm):12
总长度(mm max ):63.8
速比:138:1
额定电压(VDC):12
空载转速(RPM):65.3±10%
空载电流(mA MAX):85
额定负载力矩(KG.CM):3.5
额定负载转速(RPM):45.6±10%
额定负载电流(mA Max):500
寿命:大于1000H(额定负载正60S,停40S,反60S,停40S)
噪音:变音小于2dB,稳定后不超出55dB(侧面10CM,无防风罩测试)
| 马达线序 | |||
| PIN A | H- | 黑 | 0.38特氟龙 |
| PIN B | H+ 5±0.5V | 红 | 0.39特氟龙 |
| PIN C | HU | 蓝 | 0.40特氟龙 |
| PIN D | HV | 黄 | 0.41特氟龙 |
| PIN E | HW | 白 | 0.42特氟龙 |
| PIN F | MOTOR W | 红 | UL3302 28# |
| PIN G | MOTOR V | 黑 | UL3302 28# |
| PIN H | MOTOR U | 白 | UL3302 28# |
| 磁编线序 | |
| PIN 1 | Vcc(3.3-5V) |
| PIN 2 | GND |
| PIN 3 | 通道A |
| PIN 4 | 通道B |
| PIN 5 | 通道Z |
| 电机参数 | |
| 电机型号 | SM012012-F01空心杯无刷电机 |
| 额定电压(V DC) | 12 |
| 空载转速(RPM) | 9028±10% |
| 空载电流(mA MAX) | 10 |
| 额定负载力矩(G.CM) | 40 |
| 额定负载转速(RPM) | 5510±10% |
| 额定负载电流(mA MAX) | 390 |
| 堵转力矩(G.CM MIN) | 100 |
| 编码器参数 | |
| 编码器型号 | SM012012 Φ12mm |
| 供电电压(V) | 3.3-5 |
| 工作电流(mA) | 10 |
| 通道数 | 2~3 |
| 每旋转一周的脉冲数 | 1~1024 |
| 最高转速(rpm) | 55000 |
| 温度(℃) | -40~125 |
设计图纸
热门产品查看更多
应用场景
伟德国际victor1946 — 微型驱动系统制造商
专注于研发、生产精密驱动系统,为客户提供智能驱动方案设计,零件的生产与组装的定制化服务













12mm高性能电机(138)规格书